
- 产品简介
- 产品性能
- 应用范围
MF40201V3-1000C-A99 SUNON建准风机 散热风扇
品牌:SUNON
类型:直流风扇
型号:MF40201V3-1000C-A99
电机功率:0.5(W)
电压:12(V)
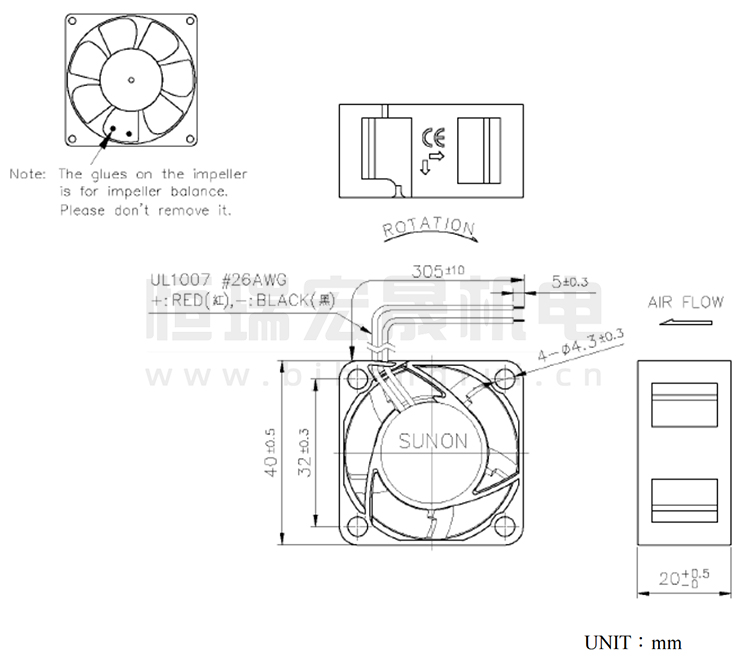
尺寸:40*40*20mm
转速:5000(r/min)
风量:10.71(m³/h)
SUNON建准 MF40201V3-1000C-A99 直流风机实拍图



北京恒瑞宏晟机电设备有限公司经营离心风机、轴流风扇、贯流风扇、变频器风扇数十年,产品汇聚世界风机风扇品牌,长期供应SUNON(建准)风机,型号齐全,大量现货,全新原装,欢迎垂询!
MF40201V3-1000C-A99 SUNON建准风机 散热风扇
品牌:SUNON
类型:直流风扇
型号:MF40201V3-1000C-A99
电机功率:0.5(W)
电压:12(V)
尺寸:40*40*20mm
转速:5000(r/min)
风量:10.71(m³/h)
SUNON建准 MF40201V3-1000C-A99 直流风机结构风量图


北京恒瑞宏晟机电设备有限公司经营离心风机、轴流风扇、贯流风扇、变频器风扇数十年,产品汇聚世界风机风扇品牌,长期供应SUNON(建准)风机,型号齐全,大量现货,全新原装,欢迎垂询!
MF40201V3-1000C-A99 SUNON 建准风机 DC直流风扇
建准(SUNON)创立于1980年,专注马达与流体动力技术创新。产品应用于5G设备、IOT、家电、电竞、汽车、工业、冷冻冷藏设备、监控服务、 便携式产品和绿建筑通风等领域。
风机问题在线解答:
CF2062HVL-1000C-999
MF50101V1-1000C-A99
PF80251V1-1000C-A99
HA60151V4-1000C-A99
MF60251V1-1000C-A99
ME80152V1-000C-A99
SP100A 1123XBL.GN
EEC0382B2-000C-A99
MF25100V1-1000C-A99
MF40201VX-1000C-G99
MF60152VX-1000C-A99
PMD2412PTB1-A (2).GN
DP200A 2123XBL.GN
MF60252VX-1Q01C-A99
MA2092-HVL.GN
EEC0252B1-000C-A99
MF30060V1-1000C-A99
MF60252V1-1000C-A99
PE60252B1-000C-A99
PMD2408PMB2-A (2).GN
PMD2412PMB1-A(2).R.GN.I55
EEC0251B3-000C-A99
MF60251VX-1000C-A99
DP200A 2123XBT.GN
MF80251V1-1000C-A99
PE80252B1-000C-AB9
EEC0382B3-000C-A99
SP101A 1123HBT.GN
EEC0382B1-000C-F99
PF80252B1-1000C-A99
MA2072-HVL.GN
SF23080A 2083HBL.GN
MF40201V3-1000C-A99
MF80251V3-1000C-A99
北京恒瑞宏晟机电设备有限公司专业提供变频器、轨道交通、空气净化、新能源汽车等领域的通风散热制冷配件,风机型号齐全,全新原装,现货库存,期待您咨询采购!









