
- 产品简介
- 产品性能
- 应用范围
K3G500-PB24-65 ebm风机 空调机组 AHU风扇
品牌: ebmpapst
类型: 离心风机
型号: K3G500-PB24-65
频率: 50/60Hz
功率: 3900(w)
电压: 3~380..480(V)
电流: 6.0(A)
转速: 2000(r/min)
防护等级:IP55
德国ebmpapst K3G500-PB24-65离心风机实拍图



风机配件选择:

北京恒瑞宏晟机电设备有限公司经营离心风机、轴流风扇、贯流风扇、变频器风扇数十年,产品汇聚世界风机风扇品牌,长期供应德国ebmpapst(依必安派特)风机,型号齐全,大量现货,全新原装,欢迎垂询!
K3G500-PB24-65 ebmpapst 空气处理单元 AHU风扇 空调机组风机
品牌: ebmpapst
类型: 离心风机
型号: K3G500-PB24-65
频率: 50/60Hz
功率: 3900(w)
电压: 3~380..480(V)
电流: 6.0(A)
转速: 2000(r/min)
防护等级:IP55
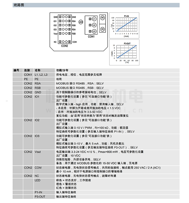
德国ebmpapst K3G500-PB24-65风机规格图




北京恒瑞宏晟机电设备有限公司经营离心风机、轴流风扇、贯流风扇、变频器风扇数十年,产品汇聚世界风机风扇品牌,长期供应德国ebmpapst(依必安派特)风机,型号齐全,大量现货,全新原装,欢迎垂询!
德国ebmpapst风扇 K3G500-PB24-65 应用于AHU 空调空气处理单元等行业
AHU风机主要是抽取室内空气(return air)和部份新风以控制出风温度和风量来维持室内温度。基于外转子技术的EC风机, 有效节约了皮带传动或内转子传动轴占用的空间,非常适合AHU改造工程,基于原AHU系统,加入PM2.5滤除段后,空间更小、阻力更大,要求更大风量。

风机问题在线解答:
1、怎样实现风机调速?
2、怎样安装风机接线?
3、怎样延长风机使用寿命?
更多风机技术问题请联系客服▷
其他热门型号推荐:
R3G630-RB32-03
R3G450-RG51-25
R3G355-RG56-01
R3G630-RB21-61/S01
R3G630-RB32-71
R3G560-RA24-03
R3G560-RB32-10
R3G560-PB31-03
K3G450-PB24-01
R3G560-RB31-71
R3G500-RA24-71
北京恒瑞宏晟机电设备有限公司专业提供变频器、轨道交通、空气净化、新能源汽车等领域的通风散热制冷配件,风机型号齐全,全新原装,现货库存,期待您咨询采购!









