
- 产品简介
- 产品性能
- 应用范围
ebmpapst 轴流风机 W2E143-AB15-01/F01 散热风扇
品牌: ebmpapst
类型: 轴流风扇
型号: W2E143-AB15-01/F01
电压: 115(V)
功率: 26(W)
转速: 3300(r/min)
叶轮尺寸:φ172*51 (MM)
最大风量:500(m³/h)
最大风压:90(Pa)
德国ebmpapst W2E143-AB15-01/F01 轴流风机实拍图

北京恒瑞宏晟机电设备有限公司经营离心风机、轴流风扇、贯流风扇、变频器风扇数十年,产品汇聚世界风机风扇品牌,长期供应德国ebmpapst(依必安派特)风机,型号齐全,大量现货。
ebmpapst W2E143-AB15-01/F01 散热风扇 冷却风机
品牌: ebmpapst
类型: 轴流风扇
型号: W2E143-AB15-01/F01
电压: 115(V)
功率: 26(W)
转速: 3300(r/min)
叶轮尺寸:φ172*51 (MM)
最大风量:500(m³/h)
最大风压:90(Pa)
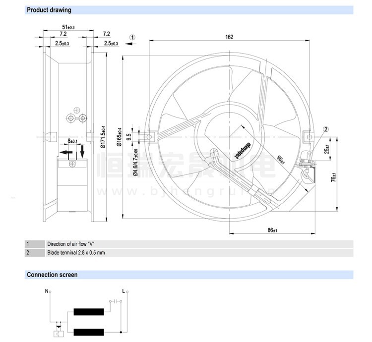
德国ebmpapst W2E143-AB15-01/F01 风机结构风量图



北京恒瑞宏晟机电设备有限公司经营离心风机、轴流风扇、贯流风扇、变频器风扇数十年,产品汇聚世界风机风扇品牌,长期供应德国ebmpapst(依必安派特)风机,型号齐全,大量现货。
ebmpapst 轴流风机 W2E143-AB15-01/F01
北京恒瑞宏晟机电设备有限公司是一家从事风机及工控产品销售的企业,主要提供通风散热产品和工控系统配件,产品广泛应用于通风、空调、制冷、供暖、电气自动化、变频器、轨道交通、HVAC(FFU/AHU)、空气净化、风电发电、工业医疗、新能源汽车等多个行业。
风机问题在线解答:
1、怎样选择风机?
2、怎样延长风机使用寿命?
3、风机工作原理?
更多风机技术问题请联系客服▷
其他热门型号推荐:
S2D300-AP02-30
S3G350-AA58-01
S3G630-AR85-01
S3G800-BO84-01/F02
S4D350-AP08-30/A06
S4D400-AP12-37
S4D450-AP01-01
S4D450-AU01-01/C01
S4D500-AD03-01
S4D500-AM03-01
S4E300-AS72-53/C01
S4E300-EE20-06
S4E350-AP06-30/A04
S4E350-BN02-02/F01
S4E450-AU03-01/C01
S4E500-AM03-01
北京恒瑞宏晟机电设备有限公司是一家从事风机及工控产品销售的企业,主要提供通风散热产品和工控系统配件,产品广泛应用于通风、空调、制冷、供暖、电气自动化、变频器、轨道交通、HVAC(FFU/AHU)、空气净化、风电发电、工业医疗、新能源汽车等多个行业。风机型号齐全,全新原装,现货库存,期待您咨询采购!









