
- 产品简介
- 产品性能
- 应用范围
ebmpapst 通风制冷风机 S4D500-AM01-04
品牌: ebmpapst
型号: S4D500-AM01-04
类型: 轴流风机
电压: 400(V)
尺寸: 500(MM)
功率: 1050(W)
转速: 1590(RPM)
最大风压:160(Pa)
德国ebmpapst S4D500-AM01-04 轴流风机实拍图


北京恒瑞宏晟机电设备有限公司经营离心风机、轴流风扇、贯流风扇、变频器风扇数十年,产品汇聚世界风机风扇品牌,长期供应德国ebmpapst(依必安派特)风机,型号齐全,大量现货,全新原装,欢迎垂询!
德国ebmpapst S4D500-AM01-04 通风制冷风机
品牌: ebmpapst
型号: S4D500-AM01-04
类型: 轴流风机
电压: 400(V)
尺寸: 500(MM)
功率: 1050(W)
转速: 1590(RPM)
最大风压:160(Pa)
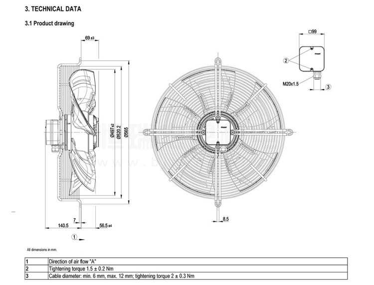
德国ebmpapst S4D500-AM01-04 风机规格图


北京恒瑞宏晟机电设备有限公司经营离心风机、轴流风扇、贯流风扇、变频器风扇数十年,产品汇聚世界风机风扇品牌,长期供应德国ebmpapst(依必安派特)风机,型号齐全,大量现货。
ebmpapst 冷凝器 冷库制冷风机 S4D500-AM01-04
ebm-papst 作为风机与电机制造商,在制冷行业拥有深厚的技术积累和广泛应用。其制冷风机以高可靠性、低噪声和优异能效表现著称,能够长期稳定运行于低温、高湿及连续负载等严苛工况。通过先进的空气动力学设计与成熟的外转子电机技术,ebm-papst 风机在冷凝器、蒸发器及冷库系统中依然保持稳定风量与高效换热性能。产品涵盖 AC 与 EC 多种解决方案,可满足商用制冷、工业制冷及冷链设备对节能、静音和系统匹配性的不同需求。同时,ebm-papst 风机符合多项国际能效与环保标准,应用于高端制冷设备和出口型项目,是制冷行业值得信赖的风机品牌选择。
风机问题在线解答:
S4D630-AH01-01
W4D630-GF03-03/F01
W4D710-CK01-05
S4E300-AS72-44/F01
S4E300-AS72-45
S4E300-AS72-53-S01
K4E146-AB73-21/A01
A4E330-AP18-16/A01
S4E315-AC08-10
S4E350-AP06-59
S4E350-AP06-81
S4E400-AP02-03/F01
A4E350-AQ02-13/A02
S4E350-AQ02-12/C01
S4E400-AP02-42/G01
S4E450-AP01-01/A01
S4E450-AP01-20/F01
S4E450-AA09-01/F01
S4E500-ZL07-01
W4E500-GM03-01
S6D500-AJ03-01
S6D630-AE01-01
W6D630-CA01-80
S6D710-BH01-09
W6D710-GH03-03
W6D800-GD01-01/F09
S6D800-BE05-03
W6D800-DD01-02
W6D800-DE05-04
S6D910-AA01-01/F01
S6D910-AB05-05
W6D800-GA01-01
W6D910-CB05-80
S6E450-AU04-01/C01
北京恒瑞宏晟机电设备有限公司专业提供变频器、轨道交通、空气净化、新能源汽车等领域的通风散热制冷配件,风机型号齐全,全新原装,现货库存,期待您咨询采购!









