
- 产品简介
- 产品性能
- 应用范围
ebmpapst K3G710-PV05-01 EC离心风机
类型 EC离心风扇
品牌 ebmpapst
型号 K3G710-PV05-01
电机功率 7050(w)
电压 400(V)
风叶直径 710mm
转速 1430(r/min)
风量 30565(m³/h)
德国ebmpapst K3G710-PV05-01 EC离心风机实拍图


北京恒瑞宏晟机电设备有限公司经营离心风机、轴流风扇、贯流风扇、变频器风扇数十年,产品汇聚世界风机风扇品牌,长期供应德国ebmpapst(依必安派特)风机,型号齐全,大量现货,全新原装,欢迎垂询!
ebmpapst K3G710-PV05-01 EC离心风机 AHU风扇
类型 EC离心风扇
品牌 ebmpapst
型号 K3G710-PV05-01
电机功率 7050(w)
电压 400(V)
风叶直径 710mm
转速 1430(r/min)
风量 30565(m³/h)
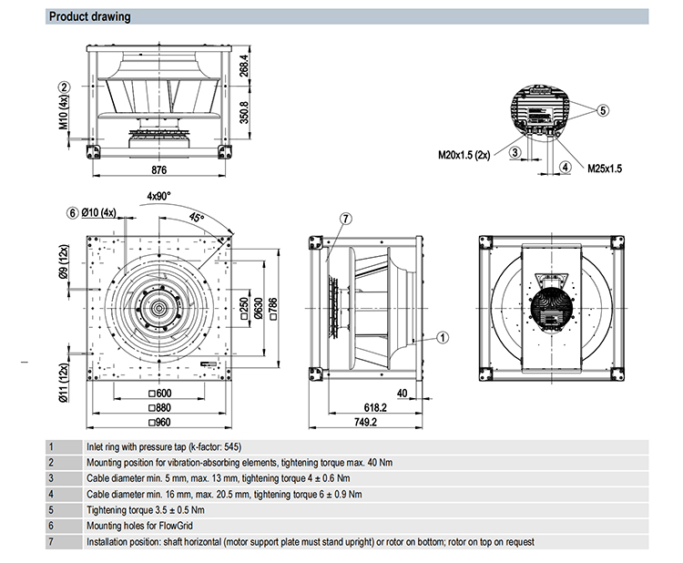
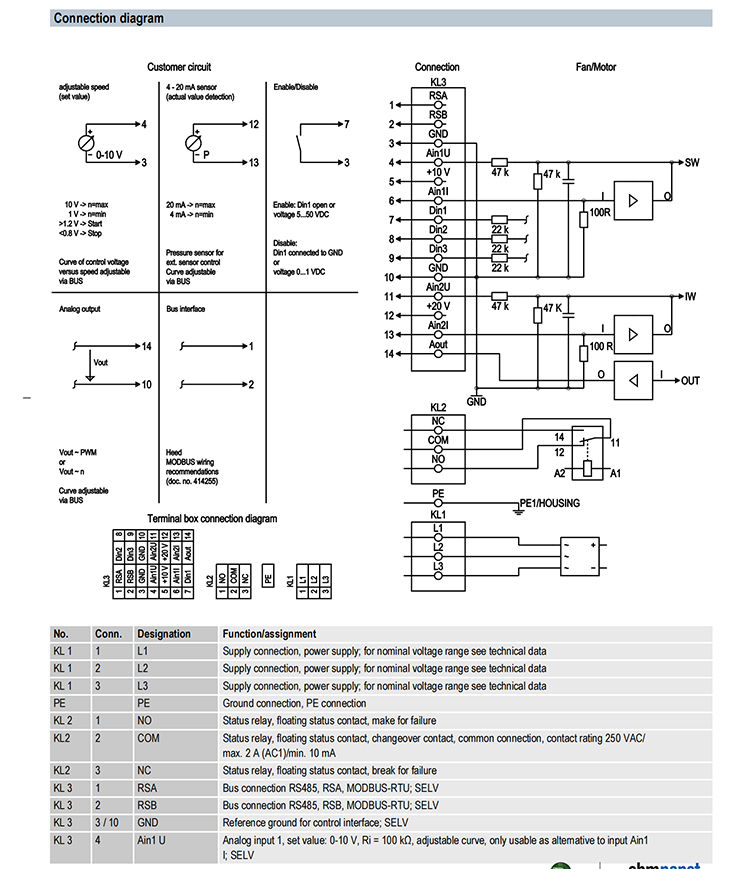
德国ebmpapst K3G710-PV05-01 EC离心风机结构风量图




北京恒瑞宏晟机电设备有限公司经营离心风机、轴流风扇、贯流风扇、变频器风扇数十年,产品汇聚世界风机风扇品牌,长期供应德国ebmpapst(依必安派特)风机,型号齐全,大量现货,全新原装,欢迎垂询!
德国ebmpapst K3G710-PV05-01 EC离心风机
北京恒瑞宏晟机电设备有限公司是一家从事风机及工控产品销售的企业,主要提供通风散热产品和工控系统配件,产品广泛应用于通风、空调、制冷、供暖、电气自动化、变频器、轨道交通、HVAC(FFU/AHU)、空气净化、风电发电、工业医疗、新能源汽车等多个行业。风机型号齐全,全新原装,现货库存,期待您咨询采购!
风机问题在线解答:
1、怎样安装风力发电风机?
2、风机安装过程中需要注意哪些问题?
3、怎样延长风机使用寿命?
更多风机技术问题请联系客服▷
K3G450-PA31-65
K3G500-PB24-65
K3G560-PB31-65
K3G097-AK34-43
K3G097-AK34-65
K3G250-RR03-H4
K3G250-RR17-H9
K3G280-AU11-C3
K3G280-RR03-H4
K3G280-RR04-H9
K3G310-AV69-05
K3G355-PV70-01
K3G355-PI93-02
K3G500-PC16-L1
K3G450-PB29-N1
K3G450-PB29-N1
K3G560-PC10-N1
R3G225-RE09-08
K3G560-PC10-L1
K3G630-PC04-L1
R3G560-RA24-03
R3G400-RJ75-01
K3G560-PB31-03
北京恒瑞宏晟机电设备有限公司是一家从事风机及工控产品销售的企业,主要提供通风散热产品和工控系统配件,产品广泛应用于通风、空调、制冷、供暖、电气自动化、变频器、轨道交通、HVAC(FFU/AHU)、空气净化、风电发电、工业医疗、新能源汽车等多个行业。风机型号齐全,全新原装,现货库存,期待您咨询采购!









