
- 产品简介
- 产品性能
- 应用范围
R3G355-AY40-01 风机为后向离心风机,带向后弯曲叶片的 ebm-papst 离心风扇主要用于吸入。由于大部分压力积聚发生在叶轮中,因此通常不需要滚动壳体。离心风扇具有非常好的液压效率和低噪音水平,非常适合高压。 除了节能之外,集成控制电子还可以实现控制、监测和维护功能。
德国ebmpapst R3G355-AY40-01离心风机实拍图

北京恒瑞宏晟机电设备有限公司经营离心风机、轴流风扇、贯流风扇、变频器风扇数十年,产品汇聚世界风机风扇品牌,长期供应德国ebmpapst(依必安派特)风机,型号齐全,大量现货,全新原装,欢迎垂询!
德国ebmpapst离心风机 R3G355-AY40-01 EC调速风扇
类型 离心风扇
品牌 ebmpapst
型号 R3G355-AY40-01
电压: 400(V)
功率: 1700(W)
转速: 2600(r/min)
噪音: 75(dB)
尺寸: 355(MM)
最大风量:6670(m³/h)
最大风压:1050(Pa)
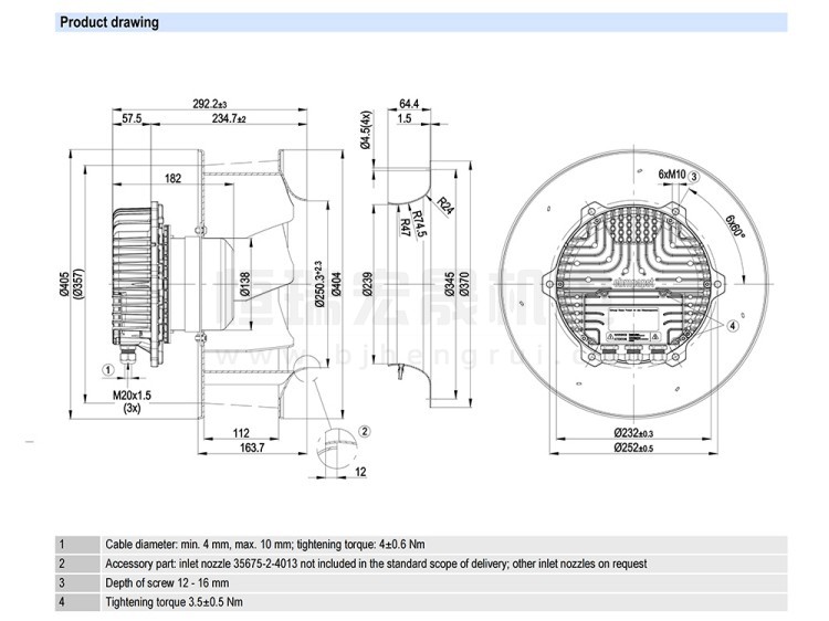
德国ebmpapst R3G355-AY40-01离心风机结构风量图



北京恒瑞宏晟机电设备有限公司经营离心风机、轴流风扇、贯流风扇、变频器风扇数十年,产品汇聚世界风机风扇品牌,长期供应德国ebmpapst(依必安派特)风机,型号齐全,大量现货,全新原装,欢迎垂询!
R3G355-AY40-01 ebmpapst 离心风机
北京恒瑞宏晟机电设备有限公司是一家从事风机及工控产品销售的企业,主要提供通风散热产品和工控系统配件,产品广泛应用于通风、空调、制冷、供暖、电气自动化、变频器、轨道交通、HVAC(FFU/AHU)、空气净化、风电发电、工业医疗、新能源汽车等多个行业。
风机问题在线解答:
R3G355-RB03-10
R2E133-BH66-05
R3G133-RA01-03
R2E133-BH66-07
R3G133-AE07-02
R2S175-AB56-01
R2E175-AC77-05
R2E180-AS77-05
R2E190-RA26-05
R2E190-AO26-05
R3G190-RD45-03
R3G190-RC05-03
R3G190-RB01-01
R2E220-RA38-01
北京恒瑞宏晟机电设备有限公司专业提供变频器、轨道交通、空气净化、新能源汽车等领域的通风散热制冷配件,风机型号齐全,全新原装,现货库存,期待您咨询采购!









